
A continuación se muestra la configuración de PIN para el IC CD4017, correspondiente al diagrama PIN proporcionado anteriormente.

|
Número de alfiler |
Nombre |
Descripción |
|
1 a 7 y 9,10,11 |
Pins de salida Q0 a Q9 |
Estos son los 10 pines de salida en los que el
se produce el conteo.Verificar el diagrama de pin. |
|
8 |
VSS o tierra |
Conectado al suelo del circuito. |
|
12 |
Realizar (CO) |
Este pasador se eleva después de que el IC cuenta
de 1 a 10. Usado como transporte mientras cuenta. |
|
13 |
Habilitar el reloj (EN) |
Esta entrada, cuando se recupere, sostendrá el
Cuente en el estado actual. |
|
14 |
Reloj |
El conteo ocurre cuando este reloj
El pulso se eleva.Generalmente conectado a un temporizador o microcontrolador de 555 a
producir un pulso. |
|
15 |
Reinicio |
Restablece el recuento a 1. |
|
16 |
VDD / VCC |
Se conecta al voltaje de suministro, típicamente
+5V. |
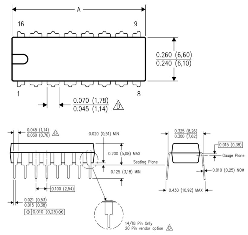
El CD4017 IC está disponible tanto en los paquetes de orificio en agujero como en la superficie (SMD).Las opciones de orificio a través de los agujeros incluyen PDIP-16 y CDIP-16, mientras que las opciones SMD incluyen SOIC-16, SOP-16 y TSSOP-16.La información detallada sobre estos tipos de paquetes se puede encontrar en la hoja de datos CD4017 vinculada al final.
Cada paquete v ariat ion puede tener un sufijo distinto en el número de pieza.Si alguna vez se ha preguntado sobre las diferencias entre designaciones como CD4017, CD4017B, o CD4017BE, se refieren al mismo contador/divisor IC de década.El término CD4017 es el nombre genérico, mientras que CD4017BE indica específicamente la variante del paquete PDIP.
• El CD4017 IC es un contador CMOS de alta velocidad de 16 pines conocido por su versatilidad y confiabilidad en aplicaciones de circuito digital.
• Cuenta con 10 salidas decodificadas, lo que permite contar y enrutamiento de señal secuencial en varios sistemas.
• El IC admite un amplio rango de voltaje de suministro de 3V a 15V, con un típico voltaje de operación de +5V, lo que lo hace adecuado para aplicaciones de baja potencia.
• Es compatible con TTL, lo que permite una integración perfecta con circuitos lógicos basados en TTL.
• Con una frecuencia de reloj máxima de 5.5 MHz, el CD4017 es ideal para operaciones de conteo de alta velocidad.
• Está disponible en múltiples tipos de paquetes, incluidos PDIP de 16 pines, GDIP y PDSO, que ofrece flexibilidad para los diseños de montaje en agujero y superficie.
• MIC4040
• IC4060
• IC4022
El CD4017 IC funciona en un voltaje de suministro que varía de 3V a 15V, siendo +5V el voltaje de funcionamiento típico aplicado al pin VDD/VCC, mientras que el pin de tierra/VSS está conectado a la tierra.El IC proporciona 10 pines de salida etiquetados Q0 a Q9, lo que puede impulsar varios tipos de cargas.En el circuito de ejemplo a continuación, estos pines de salida se utilizan para controlar los LED, lo que demuestra su funcionalidad en aplicaciones de conteo secuencial.

El CD4017 IC funciona como un contador/divisor de década, activando secuencialmente sus 10 salidas (Q0 a Q9) con cada pulso alto en el pin del reloj (pin 14).Se requiere una fuente de reloj, como un circuito de temporizador o un microcontrolador, para generar estos pulsos.Una vez que el recuento alcanza Q9, el IC se reinicia a Q0 y repite la secuencia.Las funciones de control se proporcionan a través de pines de Actabilidad del reloj (PIN 13) y restablecimiento (pin 15).Configurar el reloj Habilita High Pauss el recuento en la salida actual, reanudando solo cuando el pin se devuelve a bajo.El pasador de reinicio, cuando se tira alto, restablece el IC a Q0, sosteniéndolo allí hasta que el pasador se baja.Durante la operación estándar, ambos pasadores de control deben permanecer bajos.El PIN (PIN 12) de transmisión indica la finalización de un ciclo de conteo completo al alternar en el Q9 y regresar bajo en Q5, facilitando la cascada con IC adicionales o actividades de eventos externos.
El CD4017 es un contador/divisor CMOS de 16 pines que funciona activando secuencialmente sus 10 pines de salida (Q0 a Q9) en respuesta a los pulsos de entrada del reloj.Cuando se enciende, el IC generalmente comienza con la salida 0 (Q0) en un estado alto.Cada borde ascendente de la señal del reloj hace que la salida activa avance al siguiente pin.Por ejemplo, cuando Q0 es alto y se recibe un pulso de reloj, Q0 se baja y Q1 sube.Este proceso continúa con cada pulso de reloj, avanzando secuencialmente la salida.
Después del décimo pulso del reloj, cuando Q9 se eleva, el IC se restablece automáticamente, volviendo a Q0, y el ciclo comienza nuevamente.El contador también se puede restablecer manualmente en cualquier momento aplicando una señal alta lógica al pin de reinicio (pin 15).Además, el PIN (PIN 12) genera una señal cuando el IC completa un ciclo de conteo completo (alcanzando Q9), que puede usarse para cascade en cascada múltiples ICS CD4017 para secuencias de conteo extendidas o para activar otros eventos.El diagrama de tiempo a continuación ilustra el estado de los pines de salida (Q0 a Q9) y el pin de transporte en respuesta a las señales de pulso de reloj altas.

El CD4017 se usa ampliamente en diseños basados en LED, como matrices LED, cazadores LED y proyectos de iluminación secuencial similares.Su capacidad de activar las salidas secuencialmente lo convierte en una opción ideal para crear efectos visuales dinámicos.
Este IC puede funcionar como un contador binario o decodificador, lo que lo hace valioso en aplicaciones lógicas digitales que requieren capacidades precisas de conteo y decodificación.
El CD4017 se puede configurar para el recuento Divide-by-N, donde emite una señal después de un número específico de pulsos de reloj, útil para la división de frecuencia y los circuitos de sincronización.
Más allá del uso general, el IC encuentra aplicaciones en sistemas de medición remota, electrónica automotriz y dispositivos médicos, donde se requieren un conteo y secuenciación confiables.

ACERCA DE NOSOTROS
Satisfacción del cliente cada vez.Confianza mutua e intereses comunes.
Explorando la versatilidad del amplificador operacional UA741 en la electrónica moderna
2024-11-29
L293D Motor Driver IC Pinout, características, aplicaciones
2024-11-28
Email: Info@ariat-tech.comHK TEL: +852 30501966AÑADIR: Salón 2703 27F Ho King Comm Center 2-16,
Fa Yuen St MongKok Kowloon, Hong Kong.