El 6MBP10VAA120-50 es un módulo de potencia inteligente (IPM) de alto rendimiento de Fuji Electric, diseñado para aplicaciones industriales que requieren una conmutación eficiente de alimentación y características de protección incorporadas.Con una calificación de voltaje de 1200V y una capacidad actual de 10a, este módulo garantiza una mayor confiabilidad y un rendimiento a largo plazo en entornos exigentes.Parte de la serie V de Fuji Electric, la 6MBP10VAA120-50 ofrece una solución compacta y eficiente para las industrias con el objetivo de mejorar la eficiencia del sistema y reducir la complejidad de los componentes.

El 6MBP10VAA120-50 es un módulo de potencia inteligente (IPM) de alto rendimiento de Fuji Electric, diseñado para aplicaciones industriales que requieren características eficientes de protección y conmutación de energía.Con una clasificación de voltaje de 1200V y una capacidad de corriente de 10a, este módulo ofrece una mayor confiabilidad y rendimiento.Integra características clave como un circuito de accionamiento IGBT, protección contra sobrecorriente, protección de cortocircuito y protección contra sobrecalentamiento, asegurando una operación segura y longevidad en entornos exigentes.Este módulo es ideal para su uso en inversores, accionamientos de servo, sistemas de aire acondicionado, ascensores, máquinas de soldadura, sistemas UPS y varias otras aplicaciones de electrónica de energía.
El 6MBP10VAA120-50 es parte de la serie V de Fuji Electric, diseñada para mejorar la eficiencia del sistema al tiempo que reduce el tamaño y la complejidad del componente.Ofrece una solución robusta para aplicaciones que exigen alta eficiencia y confiabilidad a largo plazo.Para aquellos que buscan optimizar sus operaciones, los pedidos masivos del 6MBP10VAA120-50 ahora están disponibles para su compra.
• Baja pérdida de potencia: Utiliza el chip VR-IGBT de sexta generación de Fuji Electric, optimizando la compensación entre la energía de interrupción de apagado y el voltaje de saturación para reducir la pérdida total de energía.
• Circuitos de protección integrados: Incluye protecciones de sobrecorriente (OC), cortocircuito (SC), bajo voltaje (UV) y sobrecalentamiento (TJOH), cada una con sensores dedicados en chip para monitoreo y respuesta en tiempo real.
• Salida de señal de alarma: Proporciona una señal de alarma externa tras la activación de cualquier función de protección, facilitando la respuesta y el mantenimiento del sistema.
• Circuito de transmisión de puerta optimizado: Cuenta con un circuito de transmisión de puerta incorporado que minimiza la impedancia de la puerta, eliminando la necesidad de una fuente de alimentación negativa y garantizando una operación IGBT eficiente.
• Gestión térmica mejorada: Diseñado para operar dentro de un rango de temperatura de unión de hasta 150 ° C, asegurando la confiabilidad en condiciones térmicas altas.
• Cumplimiento de ROHS: Cumple con los estándares ambientales al estar libre de sustancias peligrosas, alineándose con las regulaciones globales.
• Inversores: Utilizado en sistemas de conversión de energía para fuentes de energía renovable como la energía solar y el viento, lo que garantiza una transformación de energía eficiente.
•AC Servo Drives: Empleado en sistemas de control de movimiento precisos para maquinaria industrial, mejorando el rendimiento y la precisión.
•Equipo de aire acondicionado: Integrado en los sistemas HVAC para regular la temperatura de manera eficiente, contribuyendo al ahorro de energía.
•Ascensores: Utilizado en sistemas de control de ascensores para una operación suave y confiable, mejorando la experiencia del usuario.
•Máquinas de soldadura: Incorporado en equipos de soldadura para proporcionar una fuente de alimentación estable, asegurando soldaduras de calidad.
•Suministros ininterrumpidos (UPS): Crítico en los sistemas de energía de respaldo para mantener la energía durante las interrupciones, protegiendo equipos sensibles.
• Suministros de alimentación de conmutación: Aplicado en varios dispositivos electrónicos para convertir la potencia eléctrica de manera eficiente.
•PC y servidores: Integrado en las unidades de fuente de alimentación para garantizar una operación estable y confiable de los equipos informáticos.
• TV de pantalla plana: Se usa en circuitos de potencia para proporcionar una potencia constante, mejorando la calidad de la pantalla.
•Automóviles: Empleado en vehículos eléctricos y sistemas híbridos para una gestión de energía eficiente.
• Iluminación LED: Utilizado en los controladores LED para garantizar soluciones de iluminación estables y eficientes.
•Acondicionadores de aire: Integrado en sistemas de aire acondicionado para un control de temperatura eficiente.
El 6MBP10VAA120-50 se fabrica por Fuji Electric Co., Ltd., una empresa japonesa líder especializada en equipos eléctricos y electrónicos.Establecido en 1923 a través de una alianza de capital y tecnología entre Furukawa Electric y Siemens AG, Fuji Electric ha estado a la vanguardia de la innovación en tecnología de energía y medio ambiente.La compañía tiene su sede en Tokio, Japón, y opera a nivel mundial con una fuerte presencia en Asia, Europa y las Américas.

Este diagrama de bloques representa un módulo IGBT trifásico con varios componentes críticos involucrados en la conversión de potencia.Incluye múltiples circuitos previos al conductor, cada uno que controla un conjunto específico de interruptores IGBT para las fases U, V y W. VCC (suministro de voltaje), VSEN (detección de voltaje), y GND (tierra) Las conexiones se muestran para cada fase, asegurando una regulación y medición de voltaje adecuadas.
El Bloque central previo al conductor es responsable de controlar el cambio de cada IGBT basado en las señales de entrada.La retroalimentación de voltaje de cada fase se vuelve al sistema de control para garantizar un funcionamiento adecuado.Además, las características del diagrama Protección contra sobrecorriente (representada por las conexiones ALM y NLM), que monitorea el estado del sistema y activa las alarmas o apaga el módulo en caso de fallas.La señal VSC probablemente esté vinculada a detección de cortocircuitos, mientras el Elemento resistivo (RLM) En la parte inferior sugiere un mecanismo de detección de carga o fallas.Este diseño se ve típicamente en sistemas de control de motor, inversores y otras aplicaciones industriales que requieren un conmutación de alimentación eficiente.
|
Parámetro
Nombre y símbolo |
Condición |
Valor y
Unidad |
|
Voltaje de coleccionista-emisor (VCeñudo) |
- |
0 a 1200 V |
|
Voltaje de cortocircuito (VCAROLINA DEL SUR) |
- |
400 a 800 V |
|
Actual de colección (yodo) |
corriente continua |
10 A |
|
Actual de colección (yoCP) |
1 m |
20 A |
|
Corriente del coleccionista (-ido) |
Deber = 89% |
10 A |
|
Disipación de potencia del coleccionista (Pdo) |
1 dispositivo |
97 W |
|
Voltaje de suministro de pre-conductor (VCC) |
- |
-0.5 a 20 V |
|
Voltaje de señal de entrada (Ven) |
- |
-0.5 a VCC+0.5 |
|
Voltaje de señal de alarma (VAlma) |
- |
-0.5 a VCC |
|
Corriente de señal de alarma (yoAlma) |
- |
20 Ma |
|
Temperatura de unión (tj) |
- |
150 ° C |
|
Temperatura del caso de funcionamiento (topr) |
- |
-20 a 110 ° C |
|
Temperatura de almacenamiento (tstg) |
- |
-40 a 125 ° C |
|
Temperatura de soldadura (tSol) |
- |
260 ° C |
|
Voltaje de aislamiento (VISO) |
- |
AC 2500 VRMS |
|
Tornillo de tornillo (montaje) |
M4 |
1.7 nm |
|
Parámetro
Nombre y símbolo |
Condición |
Mínimo |
Típico |
Máximo |
Unidades |
||
|
Inversor |
Corriente del colector en la entrada de señal de apagado (iCES) |
VCE = 1200 V |
- | - |
1.0 |
mamá |
|
|
Voltaje de saturación del emisor de colector (vCE (SAT)) |
Ic = 10 a |
Terminal |
- | - |
2.05 |
V | |
|
|
chip |
- |
1.68 |
- | V |
||
|
Voltaje hacia adelante de FWD (VF) |
Si = 10 a |
Terminal |
- | - |
2.55 |
V |
|
|
|
Chip |
- |
2.10 |
- | V | ||
|
Tiempo de cambio (ten) |
VCE = 600 V, T = 125 ° C, IC = 10 A |
- | - | - | µs | ||
|
Tiempo de cambio (tapagado) |
- | - |
2.1 |
µs | |||
|
Frecuencia de conmutación (tRR) |
VDC = 600 V, IC = 10 A |
- | - |
0.3 |
µs | ||
|
Voltaje de suministro de PREDRIVER PREDICIO P (ICCP) |
Frecuencia de conmutación = 0-15kHz TC = -20
a 110 ° C |
- | - |
8 |
mamá |
||
|
Voltaje de suministro de N.CCN) |
- | - |
18 |
mamá | |||
|
Voltaje de umbral de señal de entrada (VINTH (OFF)) |
Vin-gnd |
EN |
1.2 |
1.4 |
1.6 |
V | |
|
Voltaje de umbral de señal de entrada (VINTH (OFF)) |
|
APAGADO |
1.5 |
1.7 |
1.9 |
V | |
|
Sobre el nivel de protección actual (yojefe) |
TJ = 125 ° C |
15 |
- | - | A | ||
|
Tiempo de retraso de protección sobre la actualidad (tdoc) |
TJ = 125 ° C |
- |
5 |
- | µs | ||
|
Tiempo de retraso de protección de cortocircuito (tCAROLINA DEL SUR) |
TJ = 125 ° C |
- |
2 |
3 |
µs | ||
|
Chips IGBT sobre protección de calentamiento
Nivel de temperatura (tjoh) |
Superficie de chips IGBT |
150 |
- | - |
° C |
||
|
Sobre la histéresis de la protección del calentamiento (tjh) |
Superficie de chips IGBT |
- |
20 |
- | ° C
|
||
|
Nivel de protección de voltaje (VUva) |
11.0 |
- |
12.5 |
V | |||
|
Histéresis de bajo protección de voltaje (VMETRO) |
0.2 |
0.5 |
|
V | |||
|
Tiempo de retención de señal de alarma (tALM (OC)) |
1.0 |
2.0 |
2.4 |
EM | |||
|
Tiempo de retención de señal de alarma (tAlm (UV)) |
Alm -gnd, t = -20 a 110 ° C |
VCC≥ 10V |
2.5 |
4.0 |
49 |
EM | |
|
Tiempo de retención de señal de alarma (tAlm (tjoh)) |
|
5.0 |
8.0 |
11.0 |
EM | ||
|
Resistencia para el límite de corriente (RAlma) |
960 |
1265 |
1570 |
Ω |
|||
|
Parámetro
Nombre y símbolo |
Condición |
Valor y
Unidad |
|
Resistencia térmica de unión a caso (Rth (j-c) q) |
Inversor (IGBT) |
1.28 ° C/W |
|
Resistencia térmica de unión a caso (Rth (j-c) d) |
Inversor (FWD) |
2.02 ° C/W |
|
Resistencia térmica de caso a aleta con
Compuesto (RTH (C-F)) |
- |
0.05 ° C/W |

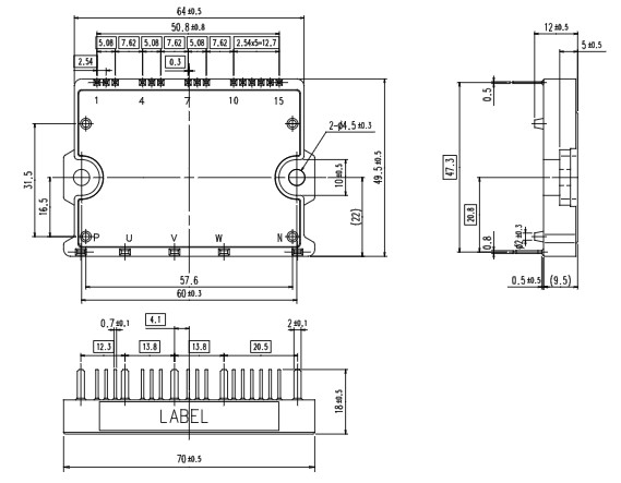
Este dibujo de esquema proporcionado representa las dimensiones físicas del módulo IGBT 6MBP10VAA120-50, que detalla su factor de forma y las mediciones clave para la integración en los sistemas.La vista superior indica un módulo rectangular con etiquetado conexiones terminales para fases U, v, w y n, junto con pines de señal en el costado.El longitud y ancho del módulo se dan como 70 mm y 64 mm, respectivamente, mientras que la altura del módulo es de 18.5 mm, incluido el área terminal.El módulo está diseñado para encajar dentro de un sistema de montaje industrial estandarizado.
El dibujo también especifica la ubicación de agujeros de montaje (2.5 mm de diámetro) que aseguran una instalación segura en sistemas de energía.El pin licout es esencial para cablear el módulo a su Circuito de control, y las aletas de gestión térmica que se muestran en el vista inferior ayuda disipar el calor durante la operación.Estas aletas son críticas para mantener un enfriamiento eficiente y prevenir el sobrecalentamiento, lo cual es importante para aplicaciones de alto rendimiento.Las dimensiones detalladas aseguran que el módulo se pueda instalar correctamente en el equipo con restricciones de espacio específicas.
Ventajas
•Alta eficiencia: Con su tecnología IGBT avanzada, el 6MBP10VAA120-50 garantiza una baja pérdida de energía durante la operación, lo que lleva a una mayor eficiencia del sistema en aplicaciones de conversión de energía.
•Características de protección incorporadas: El módulo integra circuitos de protección para sobrecorriente, cortocircuito, subcontensión y sobrecalentamiento, mejora la confiabilidad y seguridad del sistema.
•Gestión térmica: Diseñado para operar de manera efectiva dentro de un amplio rango de temperatura, ofrece un rendimiento térmico mejorado, lo que lo hace adecuado para aplicaciones de alta potencia.
• Diseño compacto e integrado: Este módulo combina múltiples funciones en un solo paquete, reduciendo los requisitos de complejidad y espacio en los sistemas de energía.
•Durabilidad: La tecnología de Fuji Electric garantiza la confiabilidad a largo plazo, incluso en condiciones exigentes, lo cual es fundamental para aplicaciones industriales y automotrices.
•Cumplimiento de ROHS: El módulo se adhiere a los estándares ambientales, lo que lo hace adecuado para mercados con regulaciones estrictas sobre materiales peligrosos.
Desventajas
•Capacidad actual limitada: Con una calificación actual de 10a, el módulo puede no ser adecuado para aplicaciones que requieren calificaciones de corriente más altas o una conversión de potencia de servicio pesado.
•Calificación de voltaje: Si bien su calificación de voltaje de 1200 V es adecuada para muchas aplicaciones, es posible que no satisfaga las necesidades de los sistemas que requieren niveles de voltaje más altos.
• Complejidad para aplicaciones a pequeña escala: Las características integradas pueden ser exageradas para sistemas más pequeños y menos exigentes, lo que lleva a costos innecesarios.
•Dependencia del enfriamiento externo: A pesar de su rendimiento térmico mejorado, pueden ser necesarios sistemas de enfriamiento adicionales en entornos de alta potencia o alta temperatura para mantener un funcionamiento óptimo.
6MBP25VAA120-50
6MBP75VDA120-50
6MBP80RTA060AF-51
6MBP75VBA060-50
• Calentamiento excesivo: Insuficiente enfriamiento o disipación de potencia excesiva puede hacer que el módulo se sobrecaliente;Asegure los sistemas adecuados de hundimiento y enfriamiento de calor, y verifique que la temperatura ambiente permanezca dentro de las condiciones nominal.
• Activación de protección de cortocircuito : Un cortocircuito puede activar la protección;Inspeccione el sistema en busca de problemas de cableado, componentes defectuosos o configuraciones incorrectas, y garantice la configuración adecuada de las características de protección.
• Condición sobrecorriente: Exceder la calificación actual (10a) puede activar la protección contra sobrecorriente;Verifique las condiciones de carga, las fallas de los componentes y asegúrese de que la aplicación funcione dentro de los límites del módulo.
• Bloqueo de subvoltaje: Una caída en el voltaje de la fuente de alimentación debajo del umbral requerido puede activar la protección contra la subtensión;Asegúrese de un suministro de voltaje estable dentro del rango especificado, utilizando reguladores de voltaje si es necesario.
• GRAMOCome una falla de la unidad: La mala unidad de puerta o la interferencia de ruido pueden causar problemas de conmutación;Asegure el diseño adecuado de la unidad de la puerta, minimice la impedancia y use condensadores de blindaje y desacoplamiento para reducir el ruido.
• Daño del módulo por transitorios de conmutación: Los transitorios de alto voltaje o corriente durante la conmutación pueden dañar el módulo;Use circuitos SNUBBER o técnicas de conmutación suave para minimizar los transitorios y optimizar el diseño de los componentes.
• Circuito de protección fallido: Los circuitos de protección de mal funcionamiento pueden evitar que el módulo funcione en condiciones de falla;Realice un mantenimiento regular, asegúrese de que funcionen las funciones de protección y reemplace cualquier componente defectuoso.
|
Característica |
6MBP10VAA120-50 |
6MBP25VAA120-50 |
|
Fabricante |
Fuji Electric |
Fuji Electric |
|
Tipo |
Módulo de potencia inteligente (IPM) |
Módulo de potencia inteligente (IPM) |
|
Calificación de voltaje |
1200 V |
1200 V |
|
Calificación actual |
10:00 am |
25 A |
|
Calificación de potencia |
12 kW |
30 kW |
|
Tipo de paquete |
IPM de 6 paquetes |
IPM de 6 paquetes |
|
Protección incorporada |
Sobrecorriente, cortocircuito, sobrecalentamiento, UV |
Sobrecorriente, cortocircuito, sobrecalentamiento, UV |
|
Gata |
Circuito de transmisión de compuerta integrado y optimizado |
Circuito de transmisión de compuerta integrado y optimizado |
|
Resistencia térmica (unión a caso) |
0.3 ° C/W |
0.3 ° C/W |
|
Temperatura de unión máxima |
150 ° C |
150 ° C |
|
Método de enfriamiento |
Refrigeramiento del aire forzado, se requiere disipador de calor |
Refrigeramiento del aire forzado, se requiere disipador de calor |
|
Protección contra cortocircuitos |
Sí |
Sí |
|
Bloqueo de subvoltaje |
Sí |
Sí |
|
Salida de señal de alarma |
Sí |
Sí |
|
Embalaje |
Diseño compacto y confiable |
Diseño compacto y confiable |
|
Aplicaciones |
Inversores, acérrimos de acervo, ups,
ascensores |
Inversores, acérrimos de acervo, ups,
ascensores |
|
Cumplimiento de ROHS |
Sí |
Sí |
El 6MBP10VAA120-50 proporciona una solución robusta y confiable para las industrias que requieren alta eficiencia y protección en los sistemas de conversión de energía.Si bien ofrece numerosas ventajas, incluidos los circuitos de protección integrados y la gestión térmica mejorada, puede no ser adecuado para todas las aplicaciones debido a su capacidad actual limitada.Sin embargo, para las empresas que buscan optimizar las operaciones y mejorar el rendimiento del sistema, el 6MBP10VAA120-50 es una opción ideal, que garantiza la seguridad, la longevidad y la eficiencia en las aplicaciones exigentes.
ACERCA DE NOSOTROS
Satisfacción del cliente cada vez.Confianza mutua e intereses comunes.
PM100CL1A120 Módulo de potencia inteligente de alto rendimiento para sistemas industriales
2025-05-14
Guía de alternativas, características, aplicaciones y hoja de datos de CM600HB-24a
2025-05-14
El 6MBP10VAA120-50 es un módulo de potencia inteligente (IPM) de alto rendimiento de Fuji Electric, diseñado para una conmutación y protección eficientes en aplicaciones industriales, con una calificación de voltaje de 1200V y una capacidad actual de 10A.
Incluye baja pérdida de potencia, circuitos de protección integrados para sobrecorriente, cortocircuito, insuficiencia y sobrecalentamiento, circuito de accionamiento de compuerta optimizado, gestión térmica mejorada y cumplimiento de ROHS.
El módulo se utiliza en inversores, accionamientos de servicio de CA, sistemas de aire acondicionado, ascensores, máquinas de soldadura, sistemas UPS y más, asegurando una conversión de energía eficiente y un rendimiento confiable.
El módulo es fabricado por Fuji Electric, una compañía japonesa líder especializada en equipos eléctricos y electrónicos con presencia global.
El módulo tiene una calificación de voltaje máxima de 1200V.
Email: Info@ariat-tech.comHK TEL: +852 30501966AÑADIR: Salón 2703 27F Ho King Comm Center 2-16,
Fa Yuen St MongKok Kowloon, Hong Kong.