
un decodificador binario es un circuito lógico combinacional que se transforma o binario de n bits entrada nombre hasta 2 líneas de salida únicas.Cada salida corresponde a una combinación de entradas específica.
En términos simples, un decodificador convierte datos binarios en una de muchas salidas posibles.Generalmente se considera lo opuesto a un codificador.
La mayoría de los decodificadores contienen una entrada activa, que verifica si el circuito está funcionando o no.Cuando está inactivo, todas las salidas permanecen inactivas.

Activa un decodificador resultado de una línea basado en la combinación de entradas. Las señales de entrada se generan utilizando NO la puerta para transformar y y la puerta para su consolidación, permitiendo un adecuado ciclo productivo.Cualquier resultado con un combinación de entrada única, cuando la entrada activa determina si es un decodificador o no activo.

Un decodificador de 2 a 4 tiene 2 líneas de entrada y 4 líneas de salida.Debido a su diseño simple y fácil implementación, se usa a menudo en circuitos digitales básicos.
Hoja informativa:
|
un |
b |
salir |
|
0 |
0 |
Y0 |
|
0 |
1 |
Y1 |
|
1 |
0 |
Y2 |
|
1 |
1 |
Y3 |

Un decodificador de 3 a 8 tiene 3 líneas de entrada y 8 líneas de salida.Se utiliza comúnmente en sistemas de control y direccionamiento de memoria y también se conoce como decodificador de binario a octal.
Hoja informativa:
|
un |
b |
c |
Activo
salir |
|
0 |
0 |
0 |
Y0 |
|
0 |
0 |
1 |
Y1 |
|
0 |
1 |
0 |
Y2 |
|
0 |
1 |
1 |
Y3 |
|
1 |
0 |
0 |
Y4 |
|
1 |
0 |
1 |
Y5 |
|
1 |
1 |
0 |
Y6 |
|
1 |
1 |
1 |
Y7 |

Un decodificador de 4 a 16 tiene 4 líneas de entrada y 16 líneas de salida.Se utiliza en sistemas digitales complejos y es adecuado para diseños grandes donde se necesitan más opciones de salida.
Hoja informativa:
|
un |
b |
c |
re |
Activo
salir |
|
0 |
0 |
0 |
0 |
Y0 |
|
0 |
0 |
0 |
1 |
Y1 |
|
0 |
0 |
1 |
0 |
Y2 |
|
0 |
0 |
1 |
1 |
Y3 |
|
0 |
1 |
0 |
0 |
Y4 |
|
0 |
1 |
0 |
1 |
Y5 |
|
0 |
1 |
1 |
0 |
Y6 |
|
0 |
1 |
1 |
1 |
Y7 |
|
1 |
0 |
0 |
0 |
Y8 |
|
1 |
0 |
0 |
1 |
Y9 |
|
1 |
0 |
1 |
0 |
Y10 |
|
1 |
0 |
1 |
1 |
Y11 |
|
1 |
1 |
0 |
0 |
Y12 |
|
1 |
1 |
0 |
1 |
Y13 |
|
1 |
1 |
1 |
0 |
Y14 |
|
1 |
1 |
1 |
1 |
Y15 |
A medida que aumenta el número de entradas, el número de salidas aumenta exponencialmente.
Paso 1: Definir entradas y salidas
Entrada: A, B
Salida: Y0, Y1, Y2, Y3
Paso 2: Hoja informativa
|
Entrada
(AB) |
salir |
|
00 |
Y0 |
|
01 |
Y1 |
|
10 |
Y2 |
|
11 |
Y3 |
Paso 3: Expresiones booleanas
• Y0 = A'B'
• Y1 = A'B
• Y2 = AB'
• Y3 = AB
Paso 4: Implementación
• Utilice puertas NOT para generar A' y B'
• Utilice puertas AND para producir cualquier resultado.
Se pueden utilizar decodificadores binarios para la implementación. funciones booleanas porque cada salida un mintérmino de variables de entrada. Se pueden implementar funciones lógicas complejas seleccionando y combinando salidas específicas.
Ejemplo:
F(A, B, C) = Σ(1, 3, 5, 7)
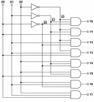
Para implementar esta función usando un decodificador binario, dado que hay tres variables de entrada, use un decodificador binario de 3 a 8.Conecte la entrada un, b, y c en las entradas del decodificador, luego seleccione las salidas que coincidan con el minterman 1, 3, 5, y 7 (Y1, Y3, Y5 y Y7).Finalmente, estos productos utilizan o O puerta para producir el resultado deseado.
La salida de la puerta OR proporciona la función booleana requerida.

Figura 6. 74Diagrama de pines del IC del decodificador LS137 de 3 a 8
el 74LS137 Es un decodificador de 3 por 8 con capacidad de bits.Tiene tres líneas de entrada. (A, B y C) y ocho líneas de salida (Y0 a Y7), con botones de habilitación para el control.También incluye un bucle incorporado que almacena valores de entrada.
En este decodificador, las salidas están activas. BAJO, lo que significa que cuando se selecciona un producto, se convierte en 0 (BAJO) en su lugar 1, mientras que todos los demás productos permanecen ALTA.
En un sistema de memoria, se puede utilizar un decodificador para seleccionar un chip de memoria entre varios.Sólo la línea seleccionada pasa a BAJO, lo que habilita ese chip en particular.
|
Alfiler
No. |
Alfiler
carta |
Tipo |
Descripción |
|
1 |
un |
Entrada |
selección de entrada (LSB) |
|
2 |
b |
Entrada |
Seleccionar entrada |
|
3 |
c |
Entrada |
Seleccionar entrada (MSB) |
|
4 |
GL̅ |
Activación/Desactivación |
Habilitar reducción activa BAJA |
|
5 |
G2̅ |
Actívalo |
Habilitar activo BAJO |
|
6 |
G1 |
Actívalo |
Habilitar activo ALTO |
|
7 |
Y7 |
salir |
Línea de salida 7 (activa LOW) |
|
8 |
Tierra |
poder |
tierra |
|
9 |
Y6 |
salir |
Línea de salida 6 (activa LOW) |
|
10 |
Y5 |
salir |
Línea de salida 5 (activa LOW) |
|
11 |
Y4 |
salir |
Línea de salida 4 (activa LOW) |
|
12 |
Y3 |
salir |
Línea de salida 3 (activa LOW) |
|
13 |
Y2 |
salir |
Línea de salida 2 (activa LOW) |
|
14 |
Y1 |
salir |
Línea de salida 1 (activa LOW) |
|
15 |
Y0 |
salir |
Línea de salida 0 (activa LOW) |
|
16 |
vcc |
poder |
+ Suministro de 5V |
• Decodificación de direcciones de memoria
• Decodificación de instrucciones en procesadores
• Selección de dispositivo
• Ilustraciones en siete partes
• Sistemas de gestión de datos
|
Características |
binario
Decodificador |
Demultiplexor |
|
Función |
Selecciona una línea de salida |
Dirige los datos a una salida. |
|
Entradas |
Códigos de entrada binarios |
Entrada de datos + líneas seleccionadas |
|
la operacion |
Activa un resultado |
Agiliza el flujo de datos |
|
utilizar |
Selección/control |
Distribución de datos |
Los decodificadores binarios ayudan a simplificar los circuitos digitales seleccionando la salida correcta entre múltiples opciones.Se utilizan ampliamente en sistemas de memoria, procesadores y aplicaciones de control.Comprenderlos facilita el aprendizaje y la aplicación de conceptos de electrónica digital.
ACERCA DE NOSOTROS
Satisfacción del cliente cada vez.Confianza mutua e intereses comunes.
ASIC vs FPGA: ¿Cuál debería elegir?
2026-04-24
¿Qué es la óptica co-empaquetada (CPO)?Descripción general, beneficios y aplicaciones
2026-04-23
Elija un decodificador según la cantidad de variables de entrada, las salidas requeridas y si se requieren funciones como activación o enclavamiento.
Sí, los decodificadores se utilizan en microcontroladores para decodificar direcciones y seleccionar memoria o dispositivos periféricos.
El retraso de propagación provoca un pequeño retraso entre los cambios de entrada y respuesta resultante, que puede afectar a los sistemas digitales de alta velocidad.
Sí, los decodificadores se pueden conectar en cascada para crear otros más grandes. decodificador, como construir un decodificador de 4 a 16 usando otros más pequeños.
Los decodificadores seleccionan ubicaciones de memoria específicas activando una línea de dirección a la vez y garantizan un acceso correcto a los datos.
Email: Info@ariat-tech.comHK TEL: +852 30501966AÑADIR: Salón 2703 27F Ho King Comm Center 2-16,
Fa Yuen St MongKok Kowloon, Hong Kong.