

|
Pin No. |
Mnemotécnico |
Descripción |
|
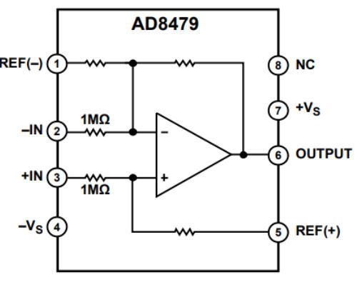
1 |
Ref ( -) |
Entrada de voltaje de referencia negativa. |
|
2 |
−ing |
Entrada invertida. |
|
3 |
+En |
Entrada no invertida. |
|
4 |
−v_s |
Voltaje de suministro negativo. |
|
5 |
Ref (+) |
Entrada de voltaje de referencia positiva. |
|
6 |
PRODUCCIÓN |
Producción. |
|
7 |
+V_s |
Voltaje de suministro positivo. |
|
8 |
CAROLINA DEL NORTE |
No Connect.No se conecte a este pin. |

El AD8479 El amplificador de diferencia es notable por su adeptura en el manejo de los voltajes de modo común de alta entrada, alcanzando hasta ± 600 V. Esta capacidad lo hace adecuado para las mediciones de precisión donde se exige la precisión incluso en presencia de grandes voltajes en modo común.Su diseño garantiza una considerable resistencia al voltaje no deseado V ariat iones, fomentando un entorno de medición confiable.
• El amplificador de diferencia de precisión AD8479 presenta un rango de voltaje en modo común de ± 600 V, salida de riel a riel y una ganancia fija de 1.
• Funciona dentro de un amplio rango de suministro de alimentación de ± 2.5 V a ± 18 V, con una corriente de suministro de energía típica de 550 μA.
• El amplificador ofrece excelentes especificaciones de CA, incluida una relación mínima de rechazo de modo común (CMRR) de 90 dB y un ancho de banda de 310 kHz.
• Además, cuenta con una alta precisión en el rendimiento de CC, con una ganancia máxima de no linealidad de 5 ppm, una deriva de voltaje de desplazamiento de no más de 10 μV/° C y una deriva máxima de ganancia de 5 ppm/° C.
En situaciones donde el aislamiento galvánico no es una preocupación, el AD8479 presenta una elección económica en lugar de amplificadores amplificadores de aislamiento.Al centrarse en las funcionalidades, su diseño mantiene los costos de componentes bajo control.
El dispositivo navega por un amplio espectro de voltajes de modo común, ofreciendo flexibilidad en varias aplicaciones exigentes.Proporcionando una protección transitoria de hasta ± 600 V, admite la seguridad operativa y la fiabilidad en los entornos susceptibles a las fluctuaciones de voltaje.
El AD8479 cuenta con características como un voltaje de desplazamiento bajo y una deriva mínima, asegurando un rendimiento preciso y constante.Su relación sustancial de rechazo de modo común (CMRR) en un amplio rango de frecuencia aumenta su confiabilidad.Apreciamos estas características cuando los sistemas de ingeniería que exigen mediciones estables y precisas en diversas condiciones.
Encerrado en un paquete SOIC de 8 derivaciones compacto, el AD8479 se destaca por su diseño eficiente, que funciona a la perfección a través de las temperaturas de -40 ° C a +125 ° C.Esta flexibilidad resulta ventajosa en los sectores donde el equipo enfrenta temperaturas severas y cambiantes, comunes en las herramientas de monitoreo y adquisición de datos.
Analog Devices Inc. ofrece el AD8479ARZ, un amplificador de instrumentación que ejemplifica la precisión con una variedad de características técnicas meticulosamente elaboradas.Estos atributos están seleccionados para proporcionar una mezcla armoniosa de rendimiento elevado y una confiabilidad excepcional.Aquí están las especificaciones, atributos y parámetros Analog Devices Inc. AD8479ARZ.
|
Tipo |
Parámetro |
|
Estado del ciclo de vida |
Producción (última actualización: hace 1 semana) |
|
Contactor |
Estaño |
|
Tipo de montaje |
Montaje en superficie |
|
Número de alfileres |
8 |
|
Temperatura de funcionamiento |
-40 ° C ~ 125 ° C |
|
Código JESD-609 |
E3 |
|
Estatus de parte |
Activo |
|
Número de terminaciones |
8 |
|
Forma terminal |
Ala de la gaviota |
|
Número de funciones |
1 |
|
Tiempo@pico de reflujo temperatura (s) Max (s) |
30 |
|
Recuento de alfileres |
8 |
|
Voltaje de suministro operativo |
36V |
|
Analógico IC - Otro tipo |
Circuito analógico |
|
Corriente de suministro nominal |
550 µA |
|
Corriente de suministro máximo |
650 µA |
|
Tipo de amplificador |
Propósito general |
|
Voltaje de entrada máximo |
600V |
|
Corriente de salida por canal |
55mA |
|
Ganar producto de ancho de banda |
130 kHz |
|
Relación de rechazo de la fuente de alimentación (PSRR) |
90dB |
|
Temperatura de unión máxima (TJ) |
150 ° C |
|
Altura |
1.75 mm |
|
Ancho |
4 mm |
|
Endurecimiento por radiación |
No |
|
Plomo libre |
Contiene plomo |
|
Tiempo de entrega de fábrica |
8 semanas |
|
Montar |
Montaje en superficie |
|
Paquete / estuche |
8-SOIC (0.154, 3.90 mm de ancho) |
|
Número de elementos |
1 |
|
Embalaje |
Tubo |
|
Código PBFree |
E3 |
|
Nivel de sensibilidad de humedad (MSL) |
3 (168 horas) |
|
Posición terminal |
DUAL |
|
Temperatura máxima de reflujo (CEL) |
260 |
|
Voltaje de suministro |
15V |
|
Número de pieza base |
AD8479 |
|
Tipo de salida |
Ferrocarril |
|
Minilla de voltaje de suministro (VSUP) |
2.5V |
|
Corriente de suministro operativo |
650 µA |
|
Corriente de salida |
10A |
|
Ritmo |
8V/µs |
|
Relación de rechazo de modo común |
90 dB |
|
Voltaje: suministro, único/dual (±) |
± 2.5V ~ 18V |
|
Voltaje de compensación de entrada (VOS) |
500 µV |
|
Neg Supply Voltage-Nom (VSUP) |
-15V |
|
Tiempo de fijación |
11 µs |
|
Rango de temperatura ambiente alto |
125 ° C |
|
Longitud |
5 mm |
|
Llegar a SVHC |
Sin SVHC |
|
Estado de ROHS |
Cumplimiento de ROHS |

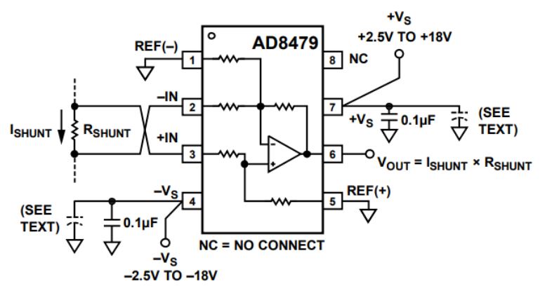
La siguiente figura ilustra las conexiones requeridas para operar el AD8479 con una fuente de alimentación dual.En esta configuración, se aplica un voltaje de suministro que varía de ± 2.5 V a ± 18 V en el pin 7 (suministro positivo) y el pin 4 (suministro negativo).Se recomienda colocar condensadores de 0.1 μF cerca de estos pines para el desacoplamiento efectivo de cada suministro.Si hay algún ruido de baja frecuencia en la fuente de alimentación, los condensadores electrolíticos adicionales de 10 μF, también colocados cerca de los pasadores de suministro, pueden ser estabilizar el rendimiento.Mientras que un solo conjunto de condensadores de 10 μF puede servir múltiples amplificadores, cada amplificador AD8479 debe tener su propio conjunto dedicado de condensadores de 0.1 μF.Esto asegura que el punto de desacoplamiento se coloque directamente en los pines de potencia IC, optimizando la estabilidad y minimizando la interferencia potencial.

La señal de entrada diferencial, típicamente generada por una corriente de carga que fluye a través de una pequeña resistencia de derivación, se aplica al pin 2 y al pin 3 con la polaridad que se muestra en la figura anterior para lograr una ganancia positiva.El AD8479 puede acomodar un voltaje en modo común en la entrada diferencial que varía de -600 V a +600 V, con un voltaje diferencial máximo de ± 14.7 V. Cuando se configura como se muestra, el dispositivo funciona como una simple ganancia de 1,Amplificador diferencial a singular, donde el voltaje de salida es directamente proporcional al producto de la resistencia de la derivación y la corriente de derivación.Esta salida se hace referencia con respecto al pin 1 y el pin 5. Para la ganancia de la unidad, el pin 1 (Ref−) y el pin 5 (Ref+) deben conectarse a un plano de tierra de baja impedancia, asegurando una referencia de tierra estable y evitando la degradación en común-Seño de modificación.El pin 8 es un PIN sin conexión y debe permanecer no conectado.
El AD8479 es un amplificador de unidad de extremo a single a single diseñado para rechazar señales de modo común de hasta 600 V con suministros de ± 15 V.Combina un amplificador operativo de precisión con una red de resistencia coincidente, lo que le permite convertir con precisión pequeñas señales diferenciales en una salida de un solo extremo, incluso en presencia de grandes voltajes en modo común.Este diseño lo hace ideal para aplicaciones como la detección de corriente y la adquisición de señal de alto voltaje.

Para lograr su alto rango de voltaje en modo común, el AD8479 utiliza un divisor de resistencia interna, conectado al pin 3 y el pin 5, que atenúa la señal no invertida por un factor de 60. Resistencias internas en el pin 1 y el pin 2, junto conLa resistencia de retroalimentación, luego restaura la ganancia, produciendo una ganancia diferencial de unidad.La función de transferencia del dispositivo viene dada por: Vout = V (+in) - V (−in).
La reducción de obleas láser garantiza una coincidencia precisa de la resistencia, lo que permite un fuerte rechazo de las señales en modo común mientras amplifica las entradas diferenciales.Para minimizar la deriva del voltaje de salida, la etapa de entrada del amplificador operacional incluye transistores súper beta, minimizando la corriente de desplazamiento y la deriva relacionada con la temperatura, al tiempo que mantiene el ruido de voltaje bajo debido a una esquina de ruido 1/F por debajo de 5 Hz.Además, la ganancia de voltaje de circuito abierto del amplificador operacional supera los 20 millones de v/v, con un PSRR de más de 90 dB, lo que mejora la precisión y la estabilidad de ganancia.
|
|
AD8479ARZ |
LR645LG-G |
HV9861Alg-G |
HV9910BLG-G |
AD8479BRZ |
|
Fabricante |
Analog Devices Inc. |
Tecnología de microchip |
Tecnología de microchip |
Tecnología de microchip |
Analog Devices Inc. |
|
Paquete / estuche |
8-SOIC (0.154, 3.90 mm de ancho) |
8-SOIC (0.154, 3.90 mm de ancho) |
8-SOIC (0.154, 3.90 mm de ancho) |
8-SOIC (0.154, 3.90 mm de ancho) |
8-SOIC (0.154, 3.90 mm de ancho) |
|
Número de alfileres |
8 |
8 |
8 |
8 |
8 |
|
Corriente de salida |
10 A |
10 A |
- |
- |
- |
|
Voltaje de entrada máximo |
600 V |
600 V |
600 V |
450 V |
450 V |
|
Número de terminaciones |
8 |
8 |
8 |
8 |
8 |
|
Montar |
Montaje en superficie |
Montaje en superficie |
Montaje en superficie |
Montaje en superficie |
Montaje en superficie |
|
Llegar a SVHC |
Sin SVHC |
Sin SVHC |
Sin SVHC |
Sin SVHC |
Sin SVHC |
|
Temperatura máxima de reflujo (° C) |
260 |
260 |
260 |
260 |
260 |
Debido a su precisión y confiabilidad en la evaluación de señales diferenciales, el AD8479 juega un papel en la detección de corriente de alto voltaje.Los entornos industriales dependen de esta precisión para monitorear el consumo de energía, que, a su vez, fomenta tanto la eficiencia operativa como la seguridad.Por ejemplo, dentro de las redes eléctricas, la detección de iones V ariat en el flujo de corriente es fundamental para evitar sobrecargas al tiempo que garantiza la entrega de energía ininterrumpida.Explotamos estas capacidades para mantener el rendimiento máximo, beneficiando de las características de aislamiento que protegen los datos confidenciales dentro de diferentes secciones de circuitos.
En la tecnología de la batería, la supervisión vigilante de voltaje y corriente demuestra mantener la eficiencia y extender los tramos de vida.El AD8479 se destaca mediante la entrega de mediciones precisas, que ayudan a administrar diversos sistemas de baterías.Estos escenarios incluyen vehículos eléctricos, donde el monitoreo preciso respalda tanto la seguridad como la eficiencia de las baterías durante el uso diario.Este componente reduce con precedentes los riesgos de sobrecalentamiento, mejorando la vida útil de las células de la batería con una intervención mínima durante el mantenimiento de rutina, un factor que refuerza sustancialmente su confiabilidad con el tiempo.
Las ventajas del AD8479 son evidentes en los sistemas de control de motores, donde su precisión admite la operación de eficiencia energética y aumenta la longevidad del motor.La maquinaria industrial y la automatización exigen mecanismos de control estables y receptivos para disminuir el desgaste mientras aumentan la funcionalidad.Con frecuencia incorporamos el AD8479 con otras partes para diseñar sistemas que logren estos objetivos sin esfuerzo.A través de una calibración meticulosa, el componente se integra suavemente en sistemas preexistentes, mejorando así los protocolos de seguridad y mejorando la eficiencia operativa.
Muchos sistemas requieren un aislamiento de señal robusto para evitar la corrupción de datos y permitir operaciones seguras.El AD8479 se convierte en estos contextos, especialmente en telecomunicaciones, donde el mantenimiento de la integridad de la señal constante es de suma importancia.Al aislar secciones vulnerables a la interferencia, el componente garantiza una comunicación efectiva continua con interrupciones mínimas.Este enfoque apela a los profesionales, ya que reduce la dependencia de mecanismos de protección elaborados, en su lugar, ofrece un método directo pero efectivo para garantizar la fidelidad de los datos en diferentes redes.

Los dispositivos analógicos han estado a la vanguardia de la ingeniería del circuito integrado (IC) revolucionario desde 1965, ofreciendo soluciones transformadoras en el vasto panorama de los sistemas electrónicos.Sus productos diseñados con expertos son reconocidos por traducir mediciones en señales electrónicas altamente precisas, que muestra una historia inquebrantable de confiabilidad y calidad superior.
ACERCA DE NOSOTROS
Satisfacción del cliente cada vez.Confianza mutua e intereses comunes.
Guía completa para DS1302 RTC
2024-11-09
Su guía en transceptor NRF52833 RF
2024-11-09
Celebrado por su notable capacidad de manejar un rango de voltaje de modo común de entrada amplia, el AD8479 está diseñado para precisión.Se destaca en la entrega de mediciones de señal diferenciales precisas, incluso cuando se enfrenta con considerables voltajes de modo común que se extienden hasta ± 600 V. Esta competencia ofrece un valor sustancial en sistemas intrincados donde la precisión de alto voltaje es imprescindible.
El AD8479 emerge como una alternativa viable a los amplificadores de aislamiento costosos cuando no se busca el aislamiento galvánico.Esta decisión reduce sustancialmente los costos en escenarios en los que se prioriza la medición precisa de la señal sin la complejidad adicional asociada con el aislamiento.Esta selección de componentes refleja un equilibrio juicioso entre la eficiencia económica y la robustez del rendimiento.
Encerrado en un paquete SOIC de 8 derivaciones que ahorra espacio, el AD8479 demuestra un rendimiento confiable en un espectro de temperatura extenso que varía de -40 ° C a +125 ° C.Esta ingeniería ofrece adaptabilidad y resiliencia, por lo que es una opción astuta para una multitud de condiciones ambientales, ya sea en operaciones de temperatura más alta o en configuraciones más frías.
CX20468-31Email: Info@ariat-tech.comHK TEL: +852 30501966AÑADIR: Salón 2703 27F Ho King Comm Center 2-16,
Fa Yuen St MongKok Kowloon, Hong Kong.